MẪU THIẾT KẾ NHÀ PHỐ 3 TẦNG 5X20M ĐẸP TẠI VĨNH PHÚC

MẪU THIẾT KẾ NHÀ PHỐ 3 TẦNG 5X20M ĐẸP TẠI VĨNH PHÚC
THÔNG TIN CHI TIẾT CÔNG TRÌNH.
TÊN CHỦ NHÀ: Chị Phương Hồng.
ĐỊA CHỈ: Phúc Yên – Vĩnh Phúc.
PHONG CÁCH: Nhà phố đẹp 3 tầng tại Vĩnh Phúc.
KÍCH THƯỚC: 5m x 20m.
CÔNG NĂNG:
- TẦNG 1: Phòng khách + Phòng bếp – ăn + Phòng vệ sinh chung + Phòng ngủ – wc.
- TẦNG 2: 2 Phòng ngủ + Vệ sinh chung.
- TẦNG 3: Phòng Thờ + Phòng dạy học + Vệ sinh chung + Sân thượng.
MÔ TẢ CHI TIẾT MẶT TIỀN CÔNG TRÌNH.
Thiết kế nhà phố phong cách hiện đại đã trở thành xu hướng thiết kế kiến trúc. Mẫu thiết kế nhà phố 3 tầng 5x20m đẹp tại Vĩnh Phúc do KTS công ty Smallhome thiết kế. Với mặt tiền hiện đại, thoáng mát, đẹp mang đến không gian sống lý tưởng cho chủ đầu tư. Mặt tiền tầng một với bậc thang tam cấp, trên tường ốp đá granite đen kim sa vừa mang vẻ đẹp sang trọng vừa đảm bảo độ bề cho mặt tiền, dễ lau chùi. Cửa chính sử dụng cửa cuốn, bên trong là cửa kính khung nhôm đồng bộ với cửa sổ lấy sáng.
Mặt tiền tầng 2 của nhà phố được KTS thiết kế hình khối vuông vắn bao trọn phần khu ban công cửa đi tầng hai đưa ra tạo điểm nhấn đẹp, sang trọng. Phía bên cạnh cửa sổ được ốp gạch màu nâu là nơi trồng cây xanh trang trí cho ngôi nhà. Ban công sử dụng lan can kính trong suốt, nhìn khoảng không gian rộng và thoáng hơn, bày trí thêm chậu cây xanh mang lại cảm giác mát mẻ cho mùa hè, tươi sáng mùa đông. Hệ cửa đi lại và cửa sổ đều được sử dụng cửa kính khung nhôm sơn đen.
Để tạo điểm nhấn, sự độc đáo hiện đại mặt tiền tầng 3 được KTS thiết kế ốp gạch nâu mát ngoài tường, bên trên hệ khung ban công, khung màu đen mang cảm giác mới lạ, có thể cây leo tạo không gian thư giãn nghỉ ngơi cho chủ đầu tư. Tầng ba sử dụng lan can kính đồng bộ với tầng hai, thống nhất về kiểu dáng, phong cách mang đến sự hai hòa, đẹp, sang trọng và đặt biệt sự hài lòng tuyệt đối của khách hàng.
TẦNG 1.
Bố trí mặt bằng công năng của nhà phố là vấn đề nan giải của KTS vì vấn đề bị hẹp diện tích và cách sử dụng công năng của chủ đầu tư. Tầng 1, bước vào nhà là phòng khách thiết kế sang trọng, lịch sự với bộ sofa lớn tiếp khách và sinh hoạt gia đình có tivi xem giải trí. Đi vào trong là cầu thang đi lên tầng thiết kế bên dưới là nhà vệ sinh chung cho khách tới nhà và khi thành viên sinh hoạt dưới tầng 1. Bên cạnh là phòng bếp với không gian mở, thiết kế bếp chữ L tận dụng tối đa diện tích nấu nướng. Bàn ăn được đặt sát tường có bên cố định để giảm diện tích sử dụng do không gian nhỏ. Phòng ngủ bố mẹ được thiết kế đơn giản ở phía cuối mang sự yên tĩnh, riêng tư, phòng vệ sinh khép kín mang lại sự tiện dụng.

MẪU THIẾT KẾ NHÀ PHỐ 3 TẦNG 5X20M ĐẸP TẠI VĨNH PHÚC
TẦNG 2.
Cầu thang được bố trí ở giữa nên hai bên thiết kế phòng ngủ, không gian nghỉ ngơi của hai bé. Phía mặt tiền phòng ngủ thiết kế ban công luôn được thông thoáng, có ánh sáng khi cần thiết. Bên trong có bàn học gần cửa để thoáng mát lúc học, bên trong có giường, tủ áo, tivi…phòng ngủ còn lại thiết kế cửa sổ để trao đổi không khí. Có phòng bệ sinh chung bên cầu thang thuận tiện sử dụng cho thành viên trong gia đình.

MẪU THIẾT KẾ NHÀ PHỐ 3 TẦNG 5X20M ĐẸP TẠI VĨNH PHÚC
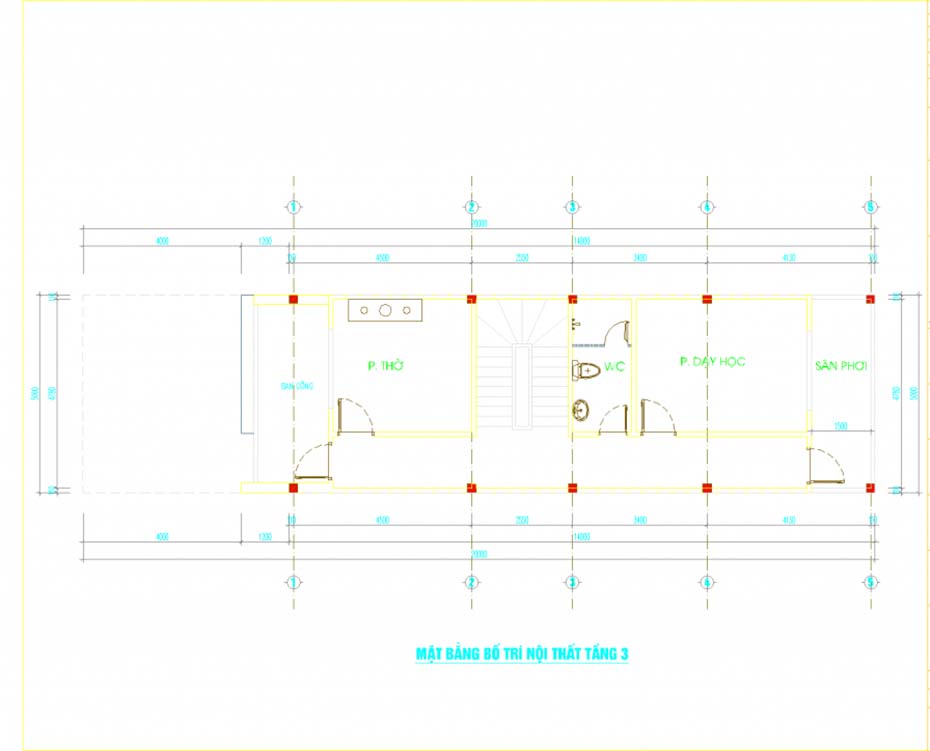
TẦNG 3.
Đi từ cầu thang lên tầng ba có phòng thờ thiết kế không gian kín, có cửa sổ nhìn ra ban công, mang đến sự yên tĩnh, trang nghiêm nơi thờ cúng gia đình. Phía bên còn lại là phòng dạy học của chị nhà có cửa sổ và cửa đi lại thoáng, nhưng riêng tư. Phía sau là ban công, sân phơi của gia đình khi cần thiết. Trên tầng có vệ sinh chung để sử dụng.

MẪU THIẾT KẾ NHÀ PHỐ 3 TẦNG 5X20M ĐẸP TẠI VĨNH PHÚC
Thiết kế mẫu nhà phố 3 tầng 5x20m đẹp tại Vĩnh Phúc với phong cách thiết kế hiện đại, trẻ trung, độc đáo đã mang đến sự hài lòng và thoải mái dành cho chủ đầu tư. Quý khách hãy liên hệ ngay với chúng tôi để được tư vấn tốt nhất về thiết kế kiến trúc.









